Ne s'allume plus tv philips 39pfl3008h/12
laphoe
Messages postés
1
Statut
Membre
-
Utilisateur anonyme -
Utilisateur anonyme -



bonjour,
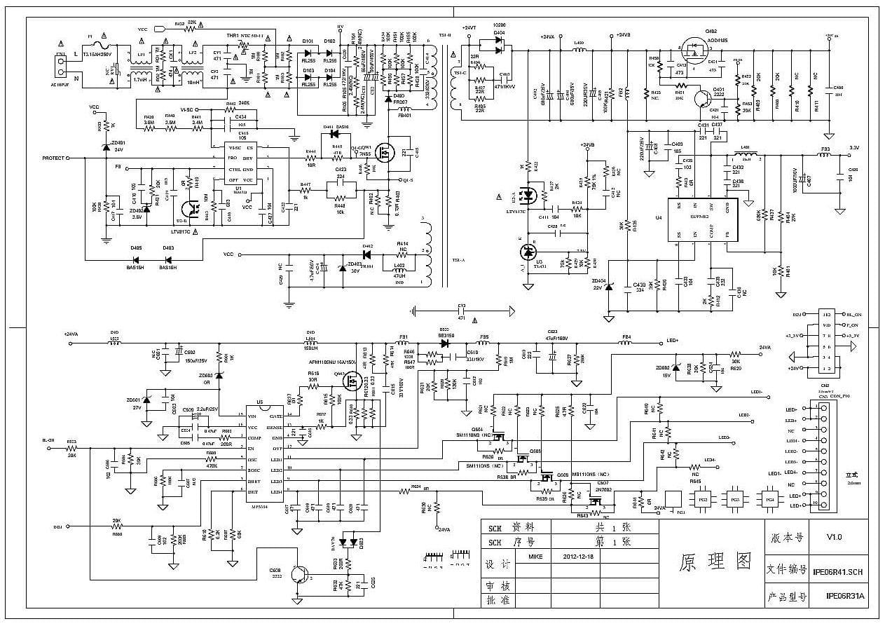
Ma télé ne s'allume plus et plus de témoin.
vérification de l'arriver 220V ok
quel sont les autre point de mesure que je devrai prendre?
...?
les schéma trouver sur internet + photo de ma carte
merci d'avance

A voir également:
- Tv philips ne s'allume plus fusible
- Code tv philips ✓ - Forum TNT / Satellite / Réception
- Tv philips ne s'allume plus voyant rouge clignote - Forum Téléviseurs
- Pb code pin Philips ✓ - Forum TNT / Satellite / Réception
- Freebox tv ne s'allume plus voyant rouge ✓ - Forum Box et Streaming vidéo
- Enlever mode sécurisé tv free ✓ - Forum Freebox
