PC QUI PLANTE

Maloute077 Messages postés 4 Date d'inscription   Statut Membre Dernière intervention   -  
Elliokali Messages postés 73 Statut Membre -
Bonjour, je vous écrit car depuis que j'ai ouvert mon PC pour mettre des ventilo CORSAIR, il fait que planter, je m'explique : Quand je suis sur mon pc, à tout moment il peut s'arrêter, l'écran se met en veille, mon clavier et souris ne s'allume plus et le ventilo du processeur arrête de tourner ! J'ai tout essayer, nettoyez le PC avec une bombe à air, re brancher les RAM, la CG, retirer la pile, changer d'écran, retirer le cable hdmi pour le brancher en DP, formater le pc, rien n'y fait !
CARTE GRAPHIQUE = Sapphire radeon RX 560 series
Processeur = AMD ryzen 3 1300x Quad-core Processor
RAM = DDR4 G.SKILL Ripjaws rouge, 2x4 go, 2400 mhz, CAS 15
Alim = EVGA 450 BT, 450W
Carte mère = MSI B350M GAMING PRO
Disque dur = Seagate BarraCuda, 1TO
Mon pc ne chauffe absoluement pas ! ( Quand je veux faire la dérnière mise à jour de ma carte graphique, l'écran vire au vert à environ 60% puis la mise à jour s'effectue )
Merci de vos réponses !
A voir également:

3 réponses

Elliokali Messages postés 73 Statut Membre 2
 
Regarde bien du côté des petits câbles branchés sur JFP2 (en bas de la carte mère généralement), voir s'il sont correctement branchés et si aucun ne manque. Pour t'aider à bien les brancher, prends le manuel de ta carte mère et regarde au niveau des branchements JFP2, tu retire tous les câbles et tu fais bien attention de tout bien rebrancher correctement, comme indiqué dans le manuel de ta CM. A ce niveau là je ne vois que ça. Car si juste rajouter un ventilo fait planter ton pc, ça me paraît très étrange. Tu as dû sans le faire exprès bouger un de ces petits câbles.
En espérant t'avoir aider.
0
Maloute077 Messages postés 4 Date d'inscription   Statut Membre Dernière intervention  
 
Merci de ta réponse, tu pourrais me dire ou cela se situe sur ma carte mère ? Merci
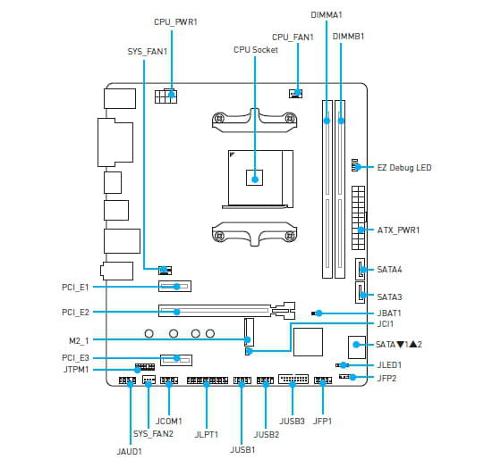
https://www.noelshack.com/2018-52-1-1545680571-msi-b350m-gaming-pro-tuning-hero.png
0
Elliokali Messages postés 73 Statut Membre 2
 


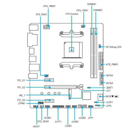
Je t'es joins ce schéma de ta CM issu du manuel que j'ai trouvé sur le seite de MSI. Donc tu regarde là où il y a marqué JFP1 et c'est à cette endroit que tu dois regarder si tout est bien branché. Pour bien les placer je t'ai mis une autre image avec pareil un petit schéma et un tableau.

0
Maloute077 Messages postés 4 Date d'inscription   Statut Membre Dernière intervention  
 
Ok je vois, tout semble bien brancher, le problème n’as pas refait surface depuis hier. Il l’a fait hier quand j’ai voulu changer de bureau ou encore en mettant un Live en plein écran, si tu as d’autres suggestion je suis preneur ! Merci
0
Elliokali Messages postés 73 Statut Membre 2
 
Je t'avoue qu'à par ça, je ne pense pas pouvoir beaucoup t'aider. D'après ce que je comprend le problème pourrait bien venir d'un composant même du pc mais lequel ? Impossible à dire pour moi. Eventuellement un problème avec l'alimentation ou avec la carte mère peut-être. Si même le formatage ne fonctionne pas je suis presque certain que le problème vient d'un composant . Essaie de poser ta question sur d'autres forums de hardware parce que moi je n'ai plus de solution à te donner.
0
Elliokali Messages postés 73 Statut Membre 2
 
J'ai cherché un peu et ça pourrait venir d'une surchauffe du processeur. Tu ne peux pas vérifier la température même de ton CPU (à part avec des logiciels ou dans le bios) donc tu ne le sentirais pas juste en touchant ta tour. Peut-être donc ton processeur qui pète les plombs ou ton ventirad/watercooling qui dysfonctionne et ne refroidie plus correctement ton CPU.
0
Elliokali Messages postés 73 Statut Membre 2
 
Ou la pâte thermique qui peut avoir séchée. Donc nécessité de la remplacer.
0
Maloute077 Messages postés 4 Date d'inscription   Statut Membre Dernière intervention  
 
Mon processeur est à 38.3 degrés actuellement, cela m'étonnes. Je vais attendre de voir si mon Pc le refait et je te tiens au jus, merci l'ami!
0
Elliokali Messages postés 73 Statut Membre 2
 
De rien c'est normal.
0